Automatisation et instrumentation de tours de prélèvement d'air
Électronique - électricité - informatique - instrumentation - transfert de données - conception de pièce acier - fabrication - achats - documentation
Ingénieur de recherche au Laboratoire des Sciences du Climat et de l'Environnement • 2021
Les tours de prélèvement d'air sont parcourues de tuyaux montant jusqu'à une centaine de mètres de hauteur pour prélever de l'air. Une intervention humaine était jusqu'alors nécessaire pour réaliser des tests d'absence de fuite.
J'ai conçu un système accueillant des électrovannes pour automatiser ces tests en bas de tour sans avoir à monter.
J'ai également adossé à ce système des capteurs météorologiques pour instrumenter la tour (capteurs de température, humidité, pression et de vent).
J'ai écrit le code informatique pour interroger ces capteurs et récupérer les données. Ce code, basé sur le paradigme de l'orienté objet, est modulable pour s'adapter à d'autres configurations de stations (nombre de capteurs différents, nombre d'étages de la tour différent...).
- Prise en main du cahier des charges, avec modèle de vannes, capteurs et Raspberry Pi imposés
- Choix du protocole de communication avec les capteurs (RS-485)
- Choix de l'interface utilisateur pour actionner les vannes (boutons capuchonnés avec voyants lumineux)
- Dimensionnement électrique
- Achat des composants
- Câblage électrique
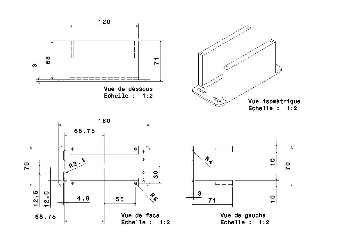
- Conception en CAO et impression 3D des pièces de fixation des électrovannes
- Écriture du code en Python pour interroger les capteurs
- Tests du système avant déploiement sur le terrain
- Documentation de l'ensemble du projet, afin de pouvoir reproduire le système à l'identique chez un sous-traitant
Intérieur du boîtier électrique de commande et de l'un des trois boîtiers qui sur la tour intègrent les électrovannes et interfacent les capteurs :
Interface physique pour le pilotage des électrovannes :
Système câblé et prêt à être livré sur site. La palette contient les quatre boîtiers électriques et les capteurs météorologiques dans leurs cartons :
À partir de cette architecture matérielle et logicielle j'ai dérivé le système pour équiper d'autres stations plus petites. Ci-dessous l'instrumentation d'une station en Corse ne contenant qu'une seule ligne de prélèvement d'air (et donc qu'une seule électrovanne) :
J'ai rédigé une documentation complète du système, qui a ensuite été reproduit à l'identique par un prestataire pour équiper d'autres stations.
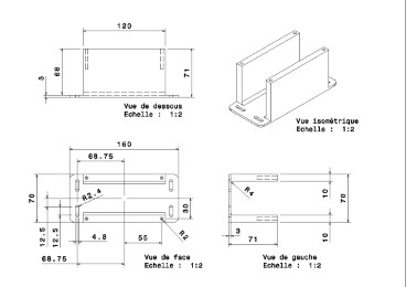
Ci-dessous la pièce de liaison mécanique de l'électrovanne avec le boîtier. J'ai imprimé ces pièces en 3D.
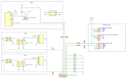
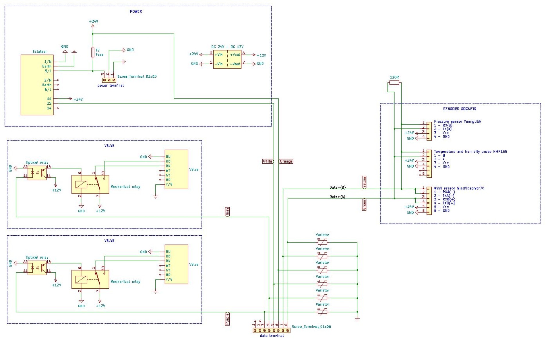
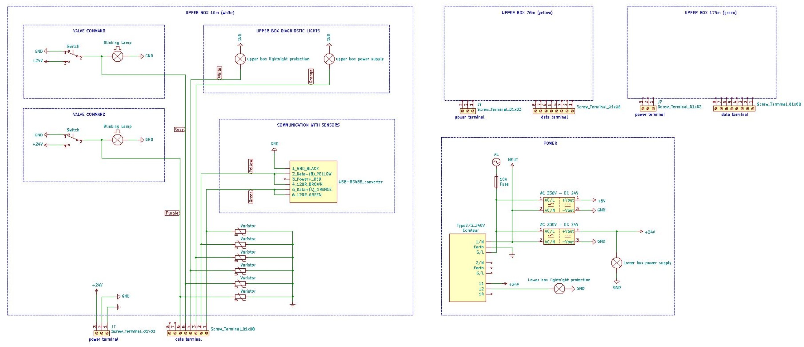
Ci-dessous une partie des schémas électriques :
Automation and Instrumentation of Air Sampling Towers
Electronics - electricity - IT - instrumentation - data transfer - steel part design - manufacturing - procurement - documentation
Research Engineer at the Laboratory of Climate and Environmental Sciences • 2021
Air sampling towers are traversed by pipes rising up to one hundred meters high to collect air. Until then, human intervention was necessary to perform leak absence tests.
I designed a system housing solenoid valves to automate these tests at the bottom of the tower without having to climb.
I also backed this system with meteorological sensors to instrument the tower (temperature, humidity, pressure and wind sensors).
I wrote the computer code to query these sensors and retrieve data. This code, based on the object-oriented paradigm, is modular to adapt to other station configurations (different number of sensors, different number of tower floors...).
- Taking charge of specifications, with imposed valve model, sensors and Raspberry Pi
- Choice of communication protocol with sensors (RS-485)
- Choice of user interface to operate valves (capped buttons with indicator lights)
- Electrical sizing
- Component procurement
- Electrical wiring
- CAD design and 3D printing of solenoid valve mounting parts
- Writing code in Python to query sensors
- System testing before field deployment
- Documentation of the entire project, to be able to reproduce the system identically with a subcontractor
Interior of the electrical control box and one of the three boxes on the tower that integrate the solenoid valves and interface the sensors:
Physical interface for controlling solenoid valves:
Wired system ready to be delivered on site. The pallet contains the four electrical boxes and the meteorological sensors in their cartons:
From this hardware and software architecture, I derived the system to equip other smaller stations. Below is the instrumentation of a station in Corsica containing only one air sampling line (and therefore only one solenoid valve):
I wrote complete documentation of the system, which was then reproduced identically by a contractor to equip other stations.
Below is the mechanical connection part of the solenoid valve with the box. I printed these parts in 3D.
Below is part of the electrical diagrams:
Automatización e instrumentación de torres de muestreo de aire
Electrónica - electricidad - informática - instrumentación - transferencia de datos - diseño de pieza de acero - fabricación - compras - documentación
Ingeniero de investigación en el Laboratorio de Ciencias del Clima y del Medio Ambiente • 2021
Las torres de muestreo de aire están atravesadas por tuberías que suben hasta cien metros de altura para recolectar aire. Hasta entonces, era necesaria la intervención humana para realizar pruebas de ausencia de fugas.
Diseñé un sistema que alberga electroválvulas para automatizar estas pruebas en la parte inferior de la torre sin tener que subir.
También respaldé este sistema con sensores meteorológicos para instrumentar la torre (sensores de temperatura, humedad, presión y viento).
Escribí el código informático para consultar estos sensores y recuperar datos. Este código, basado en el paradigma orientado a objetos, es modular para adaptarse a otras configuraciones de estaciones (diferente número de sensores, diferente número de pisos de la torre...).
- Hacerse cargo de las especificaciones, con modelo de válvula, sensores y Raspberry Pi impuestos
- Elección del protocolo de comunicación con los sensores (RS-485)
- Elección de la interfaz de usuario para operar las válvulas (botones con capucha con luces indicadoras)
- Dimensionamiento eléctrico
- Adquisición de componentes
- Cableado eléctrico
- Diseño CAD e impresión 3D de piezas de montaje de electroválvulas
- Escritura de código en Python para consultar sensores
- Pruebas del sistema antes del despliegue en campo
- Documentación de todo el proyecto, para poder reproducir el sistema idénticamente con un subcontratista
Interior de la caja de control eléctrico y una de las tres cajas en la torre que integran las electroválvulas e interfazan los sensores:
Interfaz física para controlar las electroválvulas:
Sistema cableado y listo para ser entregado en el sitio. La paleta contiene las cuatro cajas eléctricas y los sensores meteorológicos en sus cajas:
A partir de esta arquitectura de hardware y software, derivé el sistema para equipar otras estaciones más pequeñas. A continuación se muestra la instrumentación de una estación en Córcega que contiene solo una línea de muestreo de aire (y por lo tanto solo una electroválvula):
Escribí una documentación completa del sistema, que luego fue reproducido idénticamente por un contratista para equipar otras estaciones.
A continuación se muestra la pieza de conexión mecánica de la electroválvula con la caja. Imprimí estas piezas en 3D.
A continuación se muestra parte de los diagramas eléctricos:
Automatisierung und Instrumentierung von Luftprobentürmen
Elektronik - Elektrizität - IT - Instrumentierung - Datenübertragung - Stahlteilentwurf - Fertigung - Beschaffung - Dokumentation
Forschungsingenieur am Labor für Klima- und Umweltwissenschaften • 2021
Luftprobentürme werden von Rohren durchzogen, die bis zu hundert Meter hoch steigen, um Luft zu sammeln. Bis dahin war menschliches Eingreifen erforderlich, um Leckfreiheitstests durchzuführen.
Ich entwarf ein System mit Magnetventilen, um diese Tests am Fuß des Turms zu automatisieren, ohne klettern zu müssen.
Ich stützte dieses System auch mit meteorologischen Sensoren, um den Turm zu instrumentieren (Temperatur-, Feuchtigkeits-, Druck- und Windsensoren).
Ich schrieb den Computercode, um diese Sensoren abzufragen und Daten abzurufen. Dieser Code, basierend auf dem objektorientierten Paradigma, ist modular, um sich an andere Stationskonfigurationen anzupassen (unterschiedliche Anzahl von Sensoren, unterschiedliche Anzahl von Turmgeschossen...).
- Übernahme der Spezifikationen mit vorgegebenem Ventilmodell, Sensoren und Raspberry Pi
- Wahl des Kommunikationsprotokolls mit den Sensoren (RS-485)
- Wahl der Benutzerschnittstelle zur Bedienung der Ventile (abgedeckte Tasten mit Kontrollleuchten)
- Elektrische Dimensionierung
- Komponentenbeschaffung
- Elektrische Verkabelung
- CAD-Entwurf und 3D-Druck von Magnetventil-Montageteilen
- Code-Schreiben in Python zur Abfrage von Sensoren
- Systemtests vor Feldeinsatz
- Dokumentation des gesamten Projekts, um das System identisch mit einem Subunternehmer reproduzieren zu können
Inneres des elektrischen Steuerungskastens und eines der drei Kästen auf dem Turm, die die Magnetventile integrieren und die Sensoren verbinden:
Physische Schnittstelle zur Steuerung der Magnetventile:
Verkabeltes System bereit zur Auslieferung vor Ort. Die Palette enthält die vier Elektrokästen und die meteorologischen Sensoren in ihren Kartons:
Aus dieser Hardware- und Softwarearchitektur leitete ich das System ab, um andere kleinere Stationen auszustatten. Unten ist die Instrumentierung einer Station auf Korsika zu sehen, die nur eine Luftprobenleitung enthält (und daher nur ein Magnetventil):
Ich verfasste eine vollständige Dokumentation des Systems, das dann von einem Auftragnehmer identisch reproduziert wurde, um andere Stationen auszustatten.
Unten ist das mechanische Verbindungsteil des Magnetventils mit dem Kasten zu sehen. Ich druckte diese Teile in 3D.
Unten ist ein Teil der elektrischen Schaltpläne zu sehen: